
產品介紹
JMX型精密機械隔膜計量泵產品概述:
可調計量范圍:0-280L/H
最大壓力范圍:0-0.8MPa
驅動方式:電機驅動
控制方式:手動、自動控制(可接收4-20mA信號來調節流量)
JMX型精密機械隔膜計量泵產品特點:
1. 操作安全,機械驅動隔膜。
2. 密封性好,無泄漏,裝配維修簡單安全。
3.它可以傳輸高粘度介質,腐蝕性液體和危險性的化學品。
4.流量調節能夠調節沖程長度或電機頻率。
5.隔膜為多層復合結構壓制而成,第一層超韌性Teflon耐酸薄膜,第二層EPDM彈性橡膠,第三層3.0mmSUS304支撐鐵芯,第四層采用強化尼龍纖維補,第五層采用EPDM彈性橡膠完全包履,可有效提出升隔膜適用壽命。
JMX型精密機械隔膜計量泵參數:
| 泵頭部位材料 | 工作條件 |
| 計量泵頭: 聚氯乙烯、SUS304、SUS316、聚四氟乙烯 | 環境溫度: -30℃ ##-90℃ |
| 計量閥: 聚氯乙烯、SUS304、SUS316、聚四氟乙烯 | 電機: 二相、三相標準電機或防爆電機 |
| 閥球: 二氧化硅、SUS304、SUS316、陶瓷 | 功率:0.25KW 0.37KW 0.55kw |
| 密封: 聚四氟乙烯、聚氯乙烯 | 防護等級:IP55 |
JMX型精密機械隔膜計量泵性能參數:
本數據僅供參考。

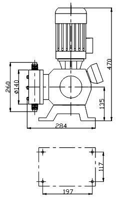
安裝尺寸:
本數據僅供參考。
計量泵外形安裝尺寸圖:






